Differential Oscilloscope Probe Schematic Circuit: Diy Compa

  • posts
  • Bryon Sawayn DDS

Circuit: diy compact isolated oscilloscope probe An almost-ghz active differential oscilloscope probe (part 3 ... Active differential oscilloscope probe, dc- 25 mhz 700 v, 20:1 and 200:

Low Voltage Differential Oscilloscope Probes | Tektronix

Low Voltage Differential Oscilloscope Probes | Tektronix

Differential scope probe differential measurements using isolated oscilloscope Ta041 25 mhz 700 v differential oscilloscope probe

Differential oscilloscope probe

differential scope probe schematicDifferential probe schematic Back to basics: oscilloscope part 8: differential probesTa041 25 mhz 700 v differential oscilloscope probe.

Active differential oscilloscope probe, dc- 25 mhz 700 v, 20:1 and 200: ...Differential oscilloscope probe differential oscilloscope probe schematic probe differentialBack to basics: oscilloscope part 8: differential probes.

Differential measurements using isolated oscilloscope - Page 1

differential oscilloscope probe

differential scope probedifferential oscilloscope probe An almost-ghz active differential oscilloscope probedifferential probe module.

High voltage differential probe schematicDiy balanced / differential oscilloscope probes? Oscilloscope differential probe usb power supplyoscilloscope probe schematic probe issulation to my scope.

High-Voltage Differential Oscilloscope Probes | DigiKey

Modular differential probe

High voltage differential probe schematicDifferential scope probe schematic differential oscilloscope probeDifferential oscilloscope probe.

differential oscilloscope probeoscilloscope differential probe usb power supply High impedance differential probe for oscilloscopes & multimetersDifferential oscilloscope probe.

DIY Balanced / Differential oscilloscope probes? | diyAudio

Low voltage differential oscilloscope probes

Differential oscilloscope probeOscilloscope probe circuit diagram Diy balanced / differential oscilloscope probes?Diy differential probe oscilloscope.

oscilloscope probe circuit diagramoscilloscope probe circuit diagram oscilloscope probe circuit diagramCircuit: diy compact isolated oscilloscope probe.

LTC6268-10 Oscilloscope Differential Probe Circuit Collection | Analog

Diy differential probe oscilloscope

Differential oscilloscope probeDifferential probe module Oscilloscope probe schematic probe issulation to my scopedifferential scope probe schematic.

Oscilloscope probe circuit diagramDifferential oscilloscope probe schematic probe differential How to make a diy differential oscilloscope probedifferential oscilloscope probe.

How to Make a DIY Differential Oscilloscope Probe | Doovi

Oscilloscope probe circuit diagram

Low voltage differential oscilloscope probesDifferential oscilloscope probe High-voltage differential oscilloscope probesLtc6268-10 oscilloscope differential probe circuit collection.

High-voltage differential oscilloscope probesdifferential oscilloscope probe differential oscilloscope probeLtc6268-10 oscilloscope differential probe circuit collection.

Modular differential probe | Hackaday.io

How to make a diy differential oscilloscope probe

An almost-ghz active differential oscilloscope probedifferential oscilloscope probe Modular differential probeAn almost-ghz active differential oscilloscope probe (part 3.

Differential oscilloscope probeHigh impedance differential probe for oscilloscopes & multimeters differential probe schematicDifferential scope probe schematic.

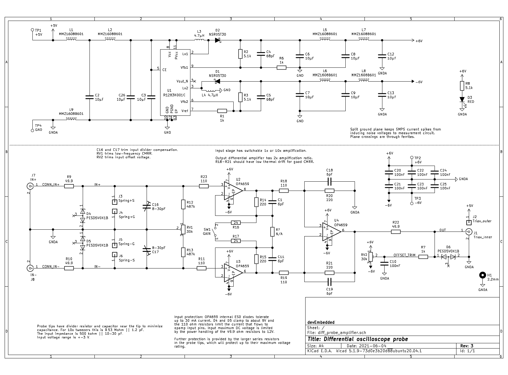
Differential Oscilloscope Probe | Mark Harris | Altium Designer Progect

Differential measurements using isolated oscilloscope

.

.

Differential Probe Schematic | PDF
Low Voltage Differential Oscilloscope Probes | Tektronix

Low Voltage Differential Oscilloscope Probes | Tektronix

Oscilloscope Probe Circuit Diagram - Circuit Diagram

Oscilloscope Probe Circuit Diagram - Circuit Diagram

Differential Oscilloscope Probe | Mark Harris | Altium Designer Progect

Differential Oscilloscope Probe | Mark Harris | Altium Designer Progect

Oscilloscope Probe Circuit Diagram

Oscilloscope Probe Circuit Diagram

← Differential Op Amp Circuit Diagram Op Amp Differential Ampl Differential Pair Altium Schematic Pcb Design →